The System Technology

Our new AMiP (Asynchronous Multi-Input Processor) Platform manages all the inputs of the ASC2. It is a powerful custom asynchronous core with 6 processor units that consist of: 2-32 bit XMOS general purpose processors, 2-32 bit ARM processors units as well as 2-dedicated audio processors. These together handle the ethernet interface that works with Roon Ready and DLNA servers, USB-A host streaming input, a USB2-24/384 input, legacy digital SPDIF/AES/TOS inputs and analog line level and phono inputs. The AMiP platform handles DSD and MQA processes and our custom Time Optimized Filter with integer up-sampling. There is a high-performance MM/MC programmable phono stage and 2-line level inputs that feed a high dynamic range 24/192 ADC into the processor core. Dual free running Ultra-Low Phase Noise Master Clocks direct all the digital processing and strip any incoming jitter from external digital input streams. There is a 32-bit ARM core processor that handles the user interface and coordination of the AMiP Platform.

The AMiP platform feeds our HDR-II DAC core running on a dedicated power supply through a custom digital interface. This is where volume control is performed using 32-bit math, the HDR-II core achieves 127dB of dynamic range, higher than any analog volume control could achieve for completely transparent volume control function. The HDR-II also has an asynchronous interface with a free running Ultra-Low Phase Noise Master Clock positioned adjacent to the Digital to Analog Converters. It includes a 64-bit dedicated audio Digital Signal Processor to provide completely transparent Bass Management, sophisticated Tilt and Bass EQ functions and allows us to fine tune things like the RIAA response in the phono section. There is a secondary DAC (112dB dynamic range) that drives the line output and provides headphone and subwoofer output capability with bass management features.

Bel Canto’s High Dynamic Resolution-II (HDR-II) core is a highly refined Digital to Analog Core rendering high levels of definition and musicality. It is the culmination of more than 20 years of audio DAC design evolution. With the HDR-II Core, we have improved the dynamic range, analog output stage design, and digital filters while reducing spurious signal generation and jitter-related errors. Our new HDR-II Core has demonstrated that we can increase the resolution of musical detail and improve the listenability and perceived quality of the recorded music. This is in contrast to where ‘transparent’ and ‘revealing’ often mean ‘bright’. The HDR-II Core presents the original music with high levels of clarity and emotion.

Our HDR-II Core starts with a deliberate and careful choice of DAC technology. This choice defines the ultimate achievable performance and is defined by several key specifications. Our research has directed us to the best DAC technology, confirmed through extensive testing and listening. Bel Canto chooses the most refined CMOS digital-to-analog processor to provide superior dynamic range through extremely low noise, distortion, and jitter sensitivity. The analog output section takes best advantage of the underlying CMOS technology to achieve the highest levels of analog purity and uncompromised performance. This Advanced Segment Technology DAC combines both multi-bit and multi-bit delta-sigma technology to deliver superb performance with a dynamic range of 132dB and transparent linear-phase digital filters. The CMOS analog conversion operates in a Constant Voltage, Class A Differential Current mode for minimal distortion and best analog performance.

Through detailed FFT analysis, we characterize DAC performance over the entire dynamic range, ensuring that the DAC's analog outputs behave in a true analog manner. As with the best analog circuitry, our DAC technology exhibits diminishing levels of distortion and spurious signals at lower output levels, where most of the audio signals live. Our HDR-II Core analog behavior is contrasted in the following figures with an increasingly popular DAC technology that looks good on paper but does not deliver true analog purity over the audio dynamic range.

It is critical that a DAC reproduce low level signals cleanly with no added distortion or spurious energy above the noise floor to color the sound. Note how clean the graph of our HDR-II Core is in Figure 1 with only the 1kHz, -40dB test signal appearing above the very low noise floor below -150dB. The extremely pure results in our Figure 1 HDR-II DAC results in a very pure lifelike sound quality. This was a major factor in our original choice of this DAC technology and our continued investment in this technology.

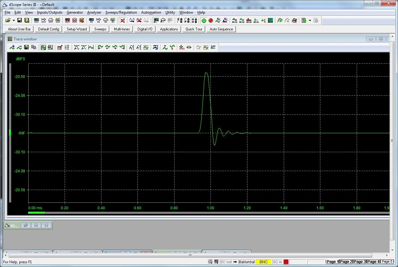
Digital Done Right

The HDR-II Core digital design starts with our Ultra-Low Phase Noise Master Clocks. These superior clocks are free running and fed from dedicated ultra-low noise analog power supply regulators. There are 2 stages of asynchronous interfacing to ensure that the final DAC output is jitter free and independent from any noise on the incoming digital signals. Our custom MQA based digital filters define an optimized impulse response from all sources, MQA, PCM, Analog and DSD. Figure 3 shows this impulse response with a 44.1kHz CD test signal. Our custom digital filters are designed to largely mimic the time domain response of an audio signal traveling through 10 meters of air. This superior time domain response insures the best sonic performance for all signals reproduced by our HDR-II Core DAC technology. MQA, High Bit Rate PCM, Analog and DSD all approach the impulse response resulting from travel through 10 meters of air, retaining the critical time relationships in the original music.

Pure Class A Differential Analog Output

A critical advantage of our HDR-II Core architecture is how the Class A Differential Current Mode output from the DAC operates in concert with the custom balanced analog section to best preserve the original dynamics of the recording. The large constant-bias differential currents impose pure Class A operation to every part of the analog output stages, every precision resistor, film capacitor and amplification device is biased with constant current and voltage. This constant bias keeps all components in thermal stasis and insures that all the original signal dynamics are retained.

Our custom discrete high current Class A amplifier is used in the critical current to voltage (I/V) and differential voltage amplifier stages. This is a fast, low noise amplifier design using a single-stage folded cascode architecture with over 500mA of peak current output capability. It maintains constant very low distortion levels through the audio band because of its high open-loop bandwidth. This proprietary Class A amplifier design brings a further element of dynamic resolution and contrast to the HDR-II Core.

The I/V and voltage amplifier stages include custom 0.1% Z-Foil resistors and selected film capacitors for the highest dynamic resolution possible. No detail is spared to produce the best audio experience, combining resolution with unforced musicality and expression.

Careful PCB layout represents a final degree of design refinement that is especially critical when the circuit is capable of 130dB of dynamic range or more.

Phono

Our dual stage phono architecture is used in the ASC2. It consists of an Ultra-Low noise input RIAA amplifier with precision filter components and fixed 40dB gain. This is followed by a digitally controlled analog variable gain stage to adapt the RIAA gain for a broad range of MM and MC cartridges. Input loading is controlled from the menu so that you can load your MC cartridge with the optimum impedance. This new Phono Architecture is optimized for accurate, low noise RIAA filter operation and compatibility with many cartridges.

Sub Output

Bass Management functions include independent selection of a 2nd order Butterworth Low Pass and High Pass filter set. The main speakers can be run full range or rolled off below frequencies from 40 to 120 Hz. The Subwoofer Low Pass can be set for full range or frequencies from 40 to 120 Hz. This approach drives maximum flexibility to optimize the integration of a subwoofer. There is also +/-6dB of gain trim range on the subwoofer output.

Line Level Inputs

There are 2-line level analog inputs that provide 110dB of dynamic range and can be used for legacy analog sources such as tape, tuner or a Home Theater bypass where the volume level would be set to a high setting (84.0) on the ASC2 and volume is controlled through the Home Theater processor. These inputs enhance the ability to integrate the Black System into many different systems with many different signal sources.